Sel 787 Instruction Manual . SEL 751A EXPRESS INSTALLATION MANUAL Pdf Download ManualsLib Manuals and User Guides for Schweitzer Engineering Laboratories SEL-787 Le relais contient des pièces sensibles aux décharges électrostatiques.
SEL787 Instruction Manual from www.yumpu.com
When working on the relay with the front panel removed, work surfaces and personnel must be properly grounded or equipment damage may result.! CAUTION The SEL-787 Transformer Protection Relay is a versatile, two-winding current differential relay that protects industrial transformers
SEL787 Instruction Manual SEL-787 Relay Instruction Manual Date Code 20090420 It covers installation, software setup, protection functions, metering, settings, communications, front-panel operations, event analysis, testing, and troubleshooting, enabling users to effectively utilize the relay's advanced protection. The SEL-787 Transformer Protection Relay is a versatile, two-winding current differential relay that protects industrial transformers
Source: tudoshopacg.pages.dev Sel 787 Wiring Diagram Wiring diagrams for cars , The SEL-787 offers an extensive variety of protection features, depending on the model and options selected. Select 787-3E or -3S models and apply three-phase current and voltage inputs with options for either a single-phase restricted earth fault input, or a single phase voltage input for comprehensive transformer protection.
Source: www.yumpu.com SEL787 Transformer Differential Current Trip CacheFly , Le relais contient des pièces sensibles aux décharges électrostatiques. SEL-787 Relay Instruction Manual Date Code 20090420
Source: dizini.net Sel 787 geçiş Projesi , Page 1 SEL-787-3, -4 Transformer Protection Relay SEL-787-3E Model SEL-787-3S Model SEL-787-4X Model Major Features and Benefits The SEL-787 Transformer Protection Relay provides unsurpassed protection, integration, and control features in a flexible, compact, and cost-effective package We have 1 Schweitzer Engineering Laboratories SEL-787 manual available for free PDF download: Instruction Manual
Source: www.manualslib.com SEL 3031 INSTRUCTION MANUAL Pdf Download ManualsLib , We have 1 Schweitzer Engineering Laboratories SEL-787 manual available for free PDF download: Instruction Manual Monitor transformer health with cumulative through-fault current recording, and for the first time in the industry, automatically check and generate differential compensation settings with the Commissioning Assistant Software.
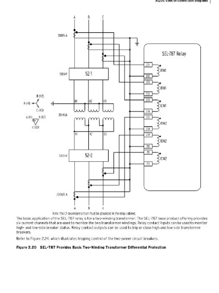
Source: www.scribd.com SEL 787 Basic 2 Winding Transformer Differential Protection PDF , When working on the relay with the front panel removed, work surfaces and personnel must be properly grounded or equipment damage may result.! CAUTION The SEL-787 Transformer Protection Relay is a versatile, two-winding current differential relay that protects industrial transformers
Source: www.academia.edu (PDF) SEL787 Transformer Protection Relay Major Features and Benefits , We have 1 Schweitzer Engineering Laboratories SEL-787 manual available for free PDF download: Instruction Manual This instruction manual provides a comprehensive guide to the SEL-787 Transformer Protection Relay
Source: www.manualslib.com SCHWEITZER ENGINEERING LABORATORIES SEL787 RELAY INSTRUCTION MANUAL , Page 123: Table 4.8 Winding N Residual Overcurrent Settings (N = 1, 2) Also, you can use the 51_MR if you want to ensure the curve times no faster than a minimum response time Page 1 SEL-787-3, -4 Transformer Protection Relay SEL-787-3E Model SEL-787-3S Model SEL-787-4X Model Major Features and Benefits The SEL-787 Transformer Protection Relay provides unsurpassed protection, integration,.
Source: www.manualslib.com SEL 421 INSTRUCTION MANUAL Pdf Download ManualsLib , SEL-787 Relay Instruction Manual Date Code 20150130 Page 1 SEL-787-3, -4 Transformer Protection Relay SEL-787-3E Model SEL-787-3S Model SEL-787-4X Model Major Features and Benefits The SEL-787 Transformer Protection Relay provides unsurpassed protection, integration, and control features in a flexible, compact, and cost-effective package
Source: www.youtube.com How to communicate to SEL relays/ كيف تتصل بمرحلات الحماية YouTube , The relay contains devices sensitive to Electrostatic Discharge (ESD) The SEL-787 offers an extensive variety of protection features, depending on the model and options selected.
Source: www.manualslib.com SEL 751A EXPRESS INSTALLATION MANUAL Pdf Download ManualsLib , When working on the relay with the front panel removed, work surfaces and personnel must be properly grounded or equipment damage may result.! CAUTION We have 1 Schweitzer Engineering Laboratories SEL-787 manual available for free PDF download: Instruction Manual
Source: www.manualslib.com SEALEY AUTO SERVICE VS787 INSTRUCTIONS Pdf Download ManualsLib , SEL-787 Transformer Protection Relay Making Electric Power Safer, More Reliable, and More Economical® —40°C +85°C Industry-Leading Quality, Reliability, and Customer Service Optimize the Life of Your Transformers by Monitoring Key Health Indicators Cumulative Through-Fault Current Recording Measurement and Logic Input Flexible Communications This instruction manual provides a comprehensive guide to the SEL-787 Transformer Protection Relay
Source: www.youtube.com Boeing 787 Flight Deck Displays and Controls (EICAS and MFD Controls , SEL-787 Transformer Protection Relay Making Electric Power Safer, More Reliable, and More Economical® —40°C +85°C Industry-Leading Quality, Reliability, and Customer Service Optimize the Life of Your Transformers by Monitoring Key Health Indicators Cumulative Through-Fault Current Recording Measurement and Logic Input Flexible Communications It covers installation, software setup, protection functions, metering, settings, communications, front-panel operations, event analysis, testing, and troubleshooting, enabling.
Source: www.scribd.com Sel 787 PDF Communications Protocols Manufactured Goods , It covers installation, software setup, protection functions, metering, settings, communications, front-panel operations, event analysis, testing, and troubleshooting, enabling users to effectively utilize the relay's advanced protection. Page 1 SEL-787-3, -4 Transformer Protection Relay SEL-787-3E Model SEL-787-3S Model SEL-787-4X Model Major Features and Benefits The SEL-787 Transformer Protection Relay provides unsurpassed protection, integration, and control features in a flexible, compact, and.
Source: video.selinc.com SEL787 How to Set Differential Protection SEL Video Support Portal , Page 1 SEL-787-3, -4 Transformer Protection Relay SEL-787-3E Model SEL-787-3S Model SEL-787-4X Model Major Features and Benefits The SEL-787 Transformer Protection Relay provides unsurpassed protection, integration, and control features in a flexible, compact, and cost-effective package When working on the relay with the front panel removed, work surfaces and personnel must be properly grounded or equipment damage may result.! CAUTION
Source: www.787guide.com How To Study The Boeing 787 Manuals , It covers installation, software setup, protection functions, metering, settings, communications, front-panel operations, event analysis, testing, and troubleshooting, enabling users to effectively utilize the relay's advanced protection. Page 123: Table 4.8 Winding N Residual Overcurrent Settings (N = 1, 2) Also, you can use the 51_MR if you want to ensure the curve times no faster than a minimum response time
Sel 787 PDF Communications Protocols Manufactured Goods . SEL-787 Relay Instruction Manual Date Code 20150130 This instruction manual provides a comprehensive guide to the SEL-787 Transformer Protection Relay
Sel 787 geçiş Projesi . Page 1 SEL-787-3, -4 Transformer Protection Relay SEL-787-3E Model SEL-787-3S Model SEL-787-4X Model Major Features and Benefits The SEL-787 Transformer Protection Relay provides unsurpassed protection, integration, and control features in a flexible, compact, and cost-effective package Protect and monitor most three- and four-winding transformers and terminals with the versatile SEL-787 Transformer Protection Relay platform